2011-07-18 13:33:38
来源:
1.引言:
随着现代战争的信息化和电子化,功能多样而又精巧实用的掌上型智能设备(军用PDA)日益受到军方的重视。
由于军用PDA需要将卫星定位、无线通信、图像摄取传送等等功能集于一体,对于高科技战争中各作战个体至关重要,国外一些国家早已从事相关技术的研究和开发,并将此类产品装备到特定的作战场合。军用PDA产品根据不同的应用场合有不同的功能要求,涉及多种当前最先进的技术,如嵌入式CPU应用、多任务操作系统RTOS、GIS应用、卫星定位系统定位、无线通信、蓝牙技术、CCD技术、图像处理技术等。本文结合一款通用的32位CPU来阐述军用PDA的构成以及实现方法。
2.硬件实现:
根据现代军队的高科技作战的特点,我们为军队而设计的PDA就应该符合军事的特殊要求。首先在功能上应该具有实时性强、稳定的定位功能、清晰的图像处理传输、无线通讯等。这样我们的硬件构成也就基本确定。
2.1.CPU简介:
CPU作为PDA产品的控制核心,应具备低功耗、超低温、支持LCD驱动等功能。SHARP LH7A400是一款以arm9为内核的嵌入式处理器。它是一个高集成的32位的arm922T RISC精简指令集的处理器核。它恰当的提供了很多I/O功能,配合很少量的外围逻辑就可以集成一个小型计算机系统。以下简要介绍处理器的主要特征:

2.2.电源规划:
军用PDA的使用环境有相当的一部分是在野外,而野外的工作环境是无法对PDA 设备进行经常性的充电,但是我们的外设又非常的多,电流消耗又非常的大。这样就存在了一个很突出的矛盾。因此在电路设计中我们要对其进行十分细致的规划。
首先我们这里采用大容量的锂电池,例如1000mAh甚至更大。其次这里我们大量的采用LDO,把每一个电源消耗环节尽量的进行细分已达到能都独立供电或组合供电来控制设备的启用和停止。再次对大电流设备我们要进行独立供电。我们不仅仅要保证系统的稳定电源需求,同时也要保证例如GPRS等模块的大电流消耗。最后要特别注意在特定模块部分电源启动时的电源冲击问题,如果不给予足够的认识就会造成系统的不稳定甚至于死机。

图1
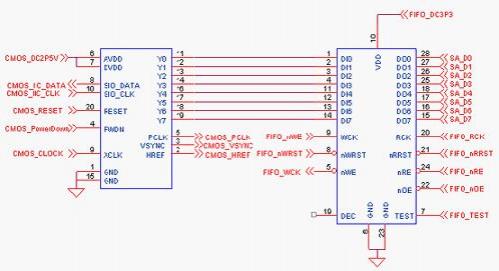
2.3.CCD接口:
CCD图像技术可用于特定的场合,如侦察、探测等,借助军用PDA的存储、处理和传输功能来达到相应的军事目的。这里我们就采用30万象素甚至更高分辨率的CMOS来满足我们的需求。同时为了系统的实时要求我们还要添加一片FIFO来对图像数据进行缓存以免数据的丢失。

图2
2.4.USB通讯接口:
通过USB 接口我们可以把例如图像资料、 卫星定位系统航道信息等许多重要的需要另外进行存储和分析的信息进行传输。USB11的接口足够满足绝大多数的数据通讯需求。这里我们采用的CPU就包含一个USB Device 接口,通过对特定寄存器进行控制以及软件的编写便可以实现数据串行通讯的需要。
2.5.卫星定位系统定位系统:
卫星定位系统(GPS)是PDA的一个十分重要的基础部分,在战争中的作用已是有目共睹的。除导弹的制导等功能外,在军用PDA产品中,配合军用地图,卫星定位系统技术能够让各作战个体精确地确定自己的位置,为特殊地形下的部队集结或特定目的的行进提供保证。
GIS(地理信息系统)作为军用PDA的重要应用,通常是将特定的军用电子地图嵌入到PDA中,并能够缩放、旋转和拖动,能够以此为平台随时标识作战个体的精确地理位置。
为了实现模块化的设计思想,我们可以采用卫星定位系统模块来代替分离元件集成设计的方式。通过特定的串行通讯口就简单的实现了模块与CPU的通讯。

图3
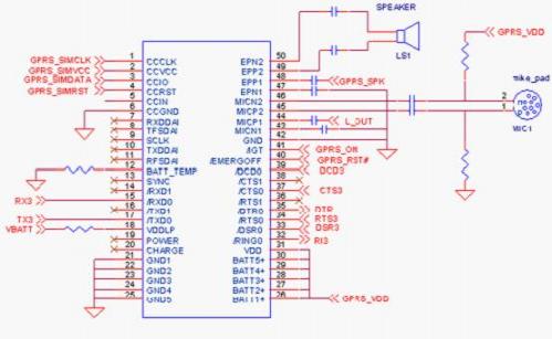
2.6.无线通讯:
无线通信技术用于军用PDA中能够让各作战个体相互联系,并与指挥中心保持联络。
民用相关产品可采用GSM或CDMA技术,但作为军用则必须通过其它方式或进行特殊的加密。我们可以看到无线语音技术是多么的重要,因此他是不可缺少的重要组成部件。这里我们采用工业或军品级别的GSM模块以满足特定需求。

图4
2.7.红外接口:
红外串行通讯接口是短距离通讯常用的方式,因其方便实用所以绝大多数的掌中设备都有红外接口。SHARP7A400集成了红外串行高速接口控制器,因此这里仅仅需要将其进行电气连接就可以实现红外数据的发送接收。

图5
3.软件实现:
因为在野外情况记录的数据往往都是不可重复记录的,因此我们在软件方面要充分考虑到数据备份的重要性。同时系统要保持很高的稳定性,必须具备死机后自动重启等多种自我保护功能。围绕CPU必须有一层操作系统及文件系统、图形系统等,还需要有相应的网络软件协议来处理通信。在此基础上来构筑上层应用软件。
因此我们选用操作系统的时候要考虑以上各种因素,目前比较流行的WINCE、Nucleus实时系统等都是比较稳定的操作系统,这个根据不同的侧重点来选择。同时在应用软件上根据具体的硬件结构来编写相关的BSP包。一般情况下我们的 软件应该满足以下的主要功能。整个系统由五部分组成:
1. 分系统:采用100MHZ高速arm9处理器,64M内存,32M FLASH存储器。内置锂电池供电系统,可充电,连续工作10小时,待机1周。
2. 通信分系统:包括通信电路、GSM模块和红外模块。支持HCI、L2CAP协议,可进行数据收发和UART连接。能够上网(数据业务),收发电子邮件,进行短消息收发。
3. 定位分系统:采用GIS和卫星定位系统结合的方式,电子地图能够进行64倍缩放,通过坐标进行定位跟踪,地图可随触摸屏拖动。
4. 图像分系统:获取并处理图像信息。
5. 软件分系统:底层软件平台为具有自主知识产权的全套实时多任务操作系统系统(RTOS),包括调度内核(KERNEL)、图形软件包(GRAFIX)、文件系统(FILE)以及TCP/IP软件包等。驱动软件包
括触摸屏驱动、键盘驱动、串口驱动、红外驱动、GSM驱动、卫星定位系统驱动以及CCD驱动。上层应用软件有电子地图、卫星定位系统应用包、电子邮件、数字图像处理包、GSM短消息收发包、记事本、时钟、计算器、通信录、画笔等。
4.结构设计:
根据军用PDA经常在恶劣的野外环境工作。低温、雨雪、强电磁干扰、机械冲击等都对PDA是很大的 考验。这样我们就要考虑如何保证在这样的条件下PDA仍然要稳定的工作。电路板、连接线、固定螺钉、外壳等都要进行特殊的处理。
电路板是电气部分的主要载体。首先在电路板绘制的过程中就要考虑以上的综合因素,采用多层电路板结构,表层尽量不走线,这样就有效的进行了EMC保护。同时在焊接调试后的电路板要进行三防处理。这样电路板表面就得到了很好的保护。
连接线是机体内不可缺少的部分我们在接口处最好进行防水处理以及加固处理,这样就能对机械冲击和雨水进行抵御。
固定螺钉一定要用防滑紧固螺钉,同时衬垫要用防滑衬垫。同时安装后还要进行胶固。这样处理一般的机械震动不会破坏PDA的紧固关系。
外壳是对PDA最重要的保护措施。这里我们采用全铝合金来制作外壳。这样的结构改变了塑料外壳无法抵御机械冲击的缺点。同时还提供了很好的EMC保护。此外他的重量比较轻便于携带。
结构上的保护措施不仅仅局限于这些。通过以上的一些措施基本能够满足野外复杂环境的保护需要。
5.结束语:
随着科技的不断发展,军用级别的PDA 有着广阔的发展前景。根据其技术性能和特点,该PDA方案可广泛应用于如下领域:
1、军用/警用:因具有GIS系统、卫星定位系统系统和灵活的通信方式, 能有效地应用于单兵作战系统、联络指挥系统、巡逻和追捕系统等。
2、航空:调度指挥系统。
3、医用:机器人医疗控制系统。
4、铁路:调度指挥系统。
5、工控:消防、电力等数据采集系统。
6、带有EMAIL、上网功能的通用PDA。