全部
资讯
产品
关注微信
关注微博
新闻头条
军桥杂志
通指产品
显控产品
仿真产品
信安产品
AI算力产品
安防产品
无人机产品
作训产品
物联产品
军工电子产品
首页
>
安防监控
>
安防产品
>
其他产品
> 正文
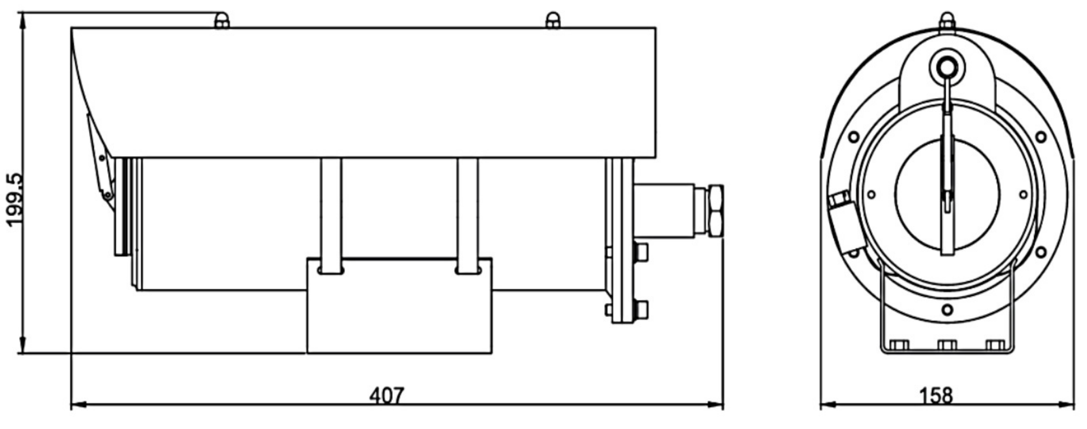
600万星光级雨刷型防爆摄像机ZA-HS115dV-6MAF50W
产品类别:安防产品
子类别:其他产品
企业:
中安视通
电话:
400-022-1189
产品详情
双重防爆认证,适用多种恶略高危场所;
采用高性能六百万像素1/2.9”CMOS图像传感器,图像清晰度高;
支持ROI,SVC,SMART H.264/H.265,灵活编码,适用不同带宽和存储环境;
支持走廊模式,宽动态,3D降噪,强光抑制,背光补偿,数字水印,适用不同监控环境;
支持区域入侵,物品遗留,快速移动,停车检测,人员聚集,物品搬移,徘徊检测,人脸检测;
智能雨刷功能,雨刷采用汽车雨刮片,耐候性好,更换方便;
视窗采用特种防爆玻璃,玻璃表面经纳米技术处理,光通率高、不粘水、不粘油、排斥灰尘;
内置半导体可控温组件,实现自动加热和散热功能;
采用304不锈钢材质制造,适合强腐蚀性环境。
技术参数
索取“此产品”相关详细资料,请留言
*姓名:
*手机:
*邮寄地址:
热点产品
科大讯飞(iFLYTEK)添易智能会议专设M1录音转写设备
履带式伤员救援无人车犀牛007
履带式心理战智能无人车
硕博自装卸车模拟训练器
坦克冲击桥模拟器
VR吊装模拟训练系统
地爆装备模拟训练系统
空军地勤装备模拟训练系统 -- VR未爆弹排除模拟系统
应急保障电视会议系统 F-1550/F-2000S
智能兵器室产品——智能短枪柜
产品推荐
智能兵器室产品——智能短枪柜
JP RM14投抛式侦察机器人
RS210投拋式侦察机器人
热点文章
1
学校检查学生带手机的仪器有哪些?
2
亿级像素复眼摄像机让你看的更宽、更远、更清
3
环形放射状城市视频监控系统布点布局模型研究
4
大华股份创新推出新一代10寸人脸门禁一体主机
5
智慧海防及海事监控解决方案
6
大华超高精度热成像人体测温系统助力云南省第一人民医院抗疫防控!
7
智慧警车解决方案—让违法犯罪无所遁形
8
临危不乱,指挥有方 | 大华HOC-应急指挥解决方案固守城市安全
9
新中大×海康威视:数字建企,用智慧建造美好世界
10
海康威视|助力疫情防控全力保障红外测温设备供给