一、 传统UPS电源及环境建设方案需要满足更高的需求
随着我国国防信息建设的蓬勃发展,其电源以及环境建设都呈现出生机勃勃的景象。因此,在当前军队建设数字化、信息化转型的关键时期,对于系统的稳定运行和安全保障提出了更高要求,同样也对一切信息系统的基础——电源以及环境系统建设提出了更多要求和新的挑战,蔚蓝科技(0201-803060)以我公司多年的工程经验为您提供详尽的电源管理解决方案。
我国国防信息建设目前正在蓬勃兴起,其电源管理方案的可靠性、安全性、可维护性迫切需要得到极大的提高。在这些信息化系统中,后端负载主要是各种计算机、服务器、及其各种重要作战设备等负载,这就需要为这些关键负载提供全面有效的UPS电源管理方案。
目前军队信息化建设中交流不间断电源系统(UPS)的建设面临如下问题:
(一)、 UPS的布置呈现出分散供电的状况,后级的交流用电设备取电不集中
这样会出现如下问题:
第一,UPS电源的利用率不高,投入和产出就往往不可能达到一个最优的比例,也必然不利于系统的扩容;
第二,无论从设计还是应用来看,分散的小容量的UPS系统的可靠性相对较低,这样会导致出现问题的概率相对较大;
第三,分散小容量UPS系统的可维护性较差,且维护成本相对较高;
第四,电源的分散配置,不利于前后级的配电系统的设计,浪费空间,给安装、维护、管理UPS及电池等各项工作造成很大困难,威胁供电系统长期、稳定、正常地运行。
(二)、 UPS系统的供电方案不尽合理
根据不同的负载对可靠性的不同要求,UPS系统有着不同的组网方式,可靠性从低到高,一般可分为:单机供电系统、两台UPS组成的串联热备份系统、多台UPS组成的直接并机系统等。
就目前的情况来看,多数军队信息系统采用的是单机系统或两台UPS所组成的串联热备份系统等。系统的重要性和动力设施提供的可用性总体不成比例。
(三)、 UPS种类繁多,除了主流厂家之外,还有很多小厂家产品,良莠不齐
各套UPS系统完全独立,资源之间互相也完全没有可能做调配和相互支援。
(四)、 UPS的输入输出系统配置配置呈现出不完全合理的现状
首先是方案不完全合理,不能全方位适用客户的需求,然后是很多配电屏本身设计不合理,不规范。
(五)、 UPS的使用和维护状况由于种种原因,也不太理想
二、 艾默生为军队用户提供全方位的UPS电源解决方案
艾默生网络能源有限公司致力于将科技与应用工程技术完美结合,为客户提供最有竞争力的端到端一体化整体解决方案,为客户创建竞争优势,也是全球唯一一家能够真正为用户提供端到端一体化机房解决方案的供应商。
基于以上在全球位居前列的技术优势,艾默生网络能源有限公司为军队用户提供全方位的军队信息系统UPS电源解决方案,使方案更贴近用户实际,整个UPS供电系统更可靠、更安全,维护更简便。
无论在人口稠密的东部地区,还是在正进行大开发的西部地区,艾默生网络能源均为各地的军队用户提供了全面、可靠、安全的供电系统,为军队信息化建设的全面发展贡献出自己的一份力量。
三、 艾默生提供的电源解决方案分析
* 总参气象局某机房
配置方案:
|
|
设备名称
|
型号、描述
|
数量
|
|
UPS主机
|
主机
|
艾默生HipulseU系列300KVAUPS
|
4
|
电池根据后备时间的要求进行相应的配置。以下为供电系统结构拓扑图:
方案解析:
UPS电源主要给主要的计算机设备提供不间断的电源。本方案采用两台艾默生HipulseU系列300kUPS并机运行组成业界广泛应用的3+1冗余并机系统,可靠性高达99999%。
UPS电源的主要用电设备包括:
机房计算机设备、网络设备、通讯设备等用电;
应急照明;
门禁、监控系统用电;
消防系统用电。
配电系统采用交流50HZ, 380V/220V,接地系统采用TN-S方式,零线和地线分开设置。机房内布置铜排接地网。
方案要点分析:
在当今的广电系统等重要机房不间断供电系统中,为了确保重要负载不会因为UPS、电池、内部模块系统等的故障造成断电等问题,在现有技术条件下,采用“N+1”型UPS冗余并机供电系统是消除这些故障的最佳供电方案。它是在确保各台UPS单机的逆变器输出电源处于同幅度、同频率和同相位的条件下(出现在各种UPS单机之间的“环流”等于零),将“N+1”台具有相同输出功率的UPS单机的输出端置于并联输出状态来运行的供电系统。这种先进的并机方案大大优于UPS的单机运行以及热备份运行等方式。
为使UPS并机供电系统具有必要的“容错”功能,要求用户的”最大负载量”不应超过N台UPS单机的总输出功率。当UPS并机系统正常工作时,由“N+1”台UPS单机来平均分担负载电流”。当某台UPS因故”出故障”时,发生故障的那台UPS通过执行“选择性跳闸”操作而自动脱机 此时, 由剩下的N台UPS来继续为用户提供高质量的逆变器电源。
以下为N+1冗余并机系统的优势列表:
|
|
N+1并联系统
|
|
工作原理
|
N+1台UPS的输出并联在一起。每台UPS均匀负担全部负载。比如1+1并联系统,每台UPS承担总负载的50%。
当一台UPS故障时,该UPS自动推出故障系统,余下的UPS均分全部负载。
|
|
供电可靠性
|
可靠性高。每台UPS承担负载的1/(N+1),比如1+1并联,每台UPS承担50%负载,则UPS冗余度为100%。降低了UPS的工作负载,可显著提供单机可靠性。
任何一台UPS故障,不会对系统供电产生影响
|
|
可扩容性
|
可在线扩容,通过增加UPS,实现增加输出容量,满足负载增长的需要。
|
|
可维护性
|
可在线维护,不影响负载的正常工作,同时实现UPS的完全断电维护,确保人身安全。
|
采用N+1冗余并机供电系统为至关重要的负载提供高可靠性的供电系统,为获得“高可利用率”的电源供应奠定坚实的运行基础,该系统的高可靠性体现在以下方面:
1 确保在有一台UPS出故障时,仍然能够为所有负载提供不间断的高可靠的电源。
2 冗余并机系统带来了负载用电的可靠性的显著提升,并使该类负载的供电可靠性达到99999%甚至更高。
3.此种系统有着优秀的开放性和良好的前瞻性,系统以后的扩容和升级也会显得十分方便。在随着客户业务的增长,对负载设备进行扩容时,只需对现有的并机系统进行扩容即可,而无需新建一套新的UPS供电系统,从而为客户节省相应的成本,并依然保持该供电系统的高可靠性。
系统构成的细化分解
A低压配电自动切换系统解决方案
艾默生提供的自动切换系统,采用EMERSON公司国际第一品牌的ASCO四级切换开关保证两路市电的有效切换。
艾默生提供的低压配电系统,按照机房的需要和用户的要求定制,量体裁衣,充分满足用户和实际设备的需要;所有开关均采用ABB开关;重要开关都带有干结点监控输出,实时监控开关通断状态;无功功率补偿柜采用ABB原装功率因数测量、控制器RVC,准确测量与控制功率因数,提供电能利用率;为负载提供精密配电(PPC-S),内置双屏蔽隔离变压器、配电开关、电源监控系统等;选液晶显示单元TEMC,集遥测、通信于一体,广泛应用于中低压电力系统,是构成电力监测系统的首选产品。
B.直流不间断供电系统解决方案
艾默生公司在直流电源方面目前国内市场占有率较高,在四大运营商系统艾默生公司凭借其良好的性能和方便快捷的服务成为各个运营商的首选电源供应商。直流不间断解决方案涵盖了艾默生公司从25A至100A模块构成的从50~1000A的应用系统。可以覆盖从大型通信交换局至小通信基站的应用需求。
军用通信网络地位最重要,职能也最完整,因此对动力机房的直流电源配置要求也是最高的,要求电源系统的不可用度不大于5×10-7,即平均20年时间内,每个电源系统故障的累计时间应不大于5分钟。电源系统的可靠性除了通过电能变换设备自身的性能及冗余配置来保障,还依赖于多路电源的输入、可靠的切换机构和低压配电系统的合理设计来共同完成。
C.交流不间断供电系统解决方案
该方案由艾默生网络能源提供交流不间断电源(UPS)构成交流单机容量从1VA至800kVA全系列的产品。在中国,主要产品系列有:iTrust系列(1kVA~60kVA)和Hipulse系列(80~800kVA)。
在大型军用机房中,服务器等数据设备通常总容量>200kVA。根据美国军方的调查数据,机房中心电源事故中,79%的事故是因为输出配电回路,11%来自UPS和电池问题,所以为了解决输出配电的单点故障问题,在大型机房中推荐使用双母线输出UPS冗余系统。
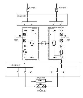
以负载400kVA为例,使用2台Hipulse系列400kVA12脉冲双母线方案,从输入配电到输出配电,为机房的安全可靠运行提供全方位的保护。对于双输入负载,比如服务器等,采用双路电源供电,每一关键设备的输入均来自两条母线经PPC配电开关,使设备的利用率高达99999999%。对于单输入负载,比如网络交换机等,将双母线上的电力经过STS自动电子转换开关,转变成单路的电源,再由PPC提供精密配电。
电池的选择:为保障机房的可靠性,电池的可靠性是关键指标之一。

图:艾默生公司典型双母线系统供电图
对于特别要求的重要地点可以采用母线双机冗余供电的方式,如中国银行北京的应用方式,如图:
D.机房环境调节系统解决方案
现代电子设备的良好运行,对机房环境的要求是全方位的,也是严格甚至是苛刻的。其中,机房的温度、湿度、洁净度做为最为主要的指标更是一个也不能少。
艾默生公司是全球第一台精密空调的发明者,也是目前国际精密空调的第一品牌。精密是针对现代电子设备机房设计的专用空调,正是为满足现代电子设备机房基于温度、湿度、洁净度等的技术要求而存在。它的工作精度和可靠性都要比普通空调高得多。例如,计算机设备及程控交换机产品等,由大量密集电子元件组成。要提高这些设备使用的稳定及可靠性,需将环境的温度湿度严格控制在特定范围。精密空调可将机房温度及相对湿度控制于正负1摄氏度及5%之内,从而大大提高了设备的寿命及可靠性机房专用精密空调机广泛适用于计算机房、程控交换机房、卫星移动通讯站、大型医疗设备室、实验室、测试室、精密电子仪器生产车间等高精密环境,该环境对空气的湿度、湿度、洁净度、气流分布等各项指标有很高的要求,这必须由每年365天、每天24小时安全可靠运行的机房专用精密空调设备来保障。
艾默生公司在精密空调领域应对现场复杂环境有各种解决方案:如严寒地区的乙二醇解决方案,长距离的水冷机组解决方案,针对局部过热的吸顶式解决方案等。无一不是贴心考虑,专业专心的体现。下图是典型的精密空调送风方案:
目前艾默生公司的精密空调单台制冷量覆盖了5-100kw,完全可以解决各类型机房内的环境问题,为最精密的设备提供最好的运行环境。
E.动力设备、机房环境及安全监控解决方案
可完成对机房的动力、空调、机房环境和安全保卫系统进行遥测、遥信、遥控、遥调的四遥功能,将分散的人工维护和管理变成集中的计算机维护和管理。通过监控系统的实时监控、报表自动化、故障告警与处理、数据视频联动等监测手段来提高维护管理水平,保证动力、空调等设备的正常运行和机房安全,保证通信供电和设备安全。
u 遥测:远距离对模拟信号进行测量,如测量电压、电流、温度等。
u 遥信:远距离对开关信号进行测量,如空调是否开机等。
u 遥控:远距离对设备的开关操作,如开关UPS、开关空调等。
u 遥调:远距离设定信号值,如设定空调温度、湿度等。
监控系统由三个部分组成,端局的数据采集部分、把采集的数据传送到中心的传输部分、对各端局的采集数据进行处理的监控计算机及其软件部分,本次监控系统的结构如下图所示:

图:监控系统的结构图
四、方案总结
采用N+1冗余并机系统,可以为客户带来高可靠性的供电系统,因此对于并联方案中的要点和推荐指标如下:
1、分散式直接并联, UPS建议可直接并联,不需增加并机柜或集中旁路柜,已内置自动旁路和维修旁路。直接并联带来的优点是可节省用户机房空间、降低购买成本和便于将来扩容。
2、要求并联均流精度高标准,使各台UPS的负载不平衡度<2%,环流<1A。
3、并机信号总线必须环型连接,简洁可靠,自动冗余。
4、各台UPS之间可自动协调,用户无需关注开机顺序;过载转旁路后系统能自动恢复;即使在某台UPS发生故障退出运行以后,余下UPS仍能带所有的用户负载并能够稳定运行。
5、监控软件特别适合中国客户应用,建议均为全中文大屏幕视窗界面,免费提供的智能监控软件可以直接连接全部UPS。
伴随着军队信息化建设的迅猛发展和广阔前景,蔚蓝科技有理由相信,UPS供电系统也将会用更高质量的电源和更高可靠性的解决方案为军队信息化系统提供强有力的电源保障!