边缘融合技术就是将一组投影机投射出的画面进行边缘重叠,并通过融合技术显示出一个没有缝隙更加明亮,超大,高分辨率的整幅画面,画面的效果就象是一台投影机投射的画面。

又是一年新品发布季。继佳能、松下发布2011年DV(数码摄像机)新品之后,占据DV市场半壁江山的索尼,也在北京发布了七款高清新品。 DV市场三大巨头新品接踵而至,宣告2011年春...

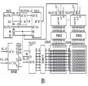
LED显示屏的基本工作原理是动态扫描,显示控制的过程是先从数据存储器读得字模数据,再通过单片机的串行口或并行口将数据写给LED点阵片,然后再行扫描。

随着大屏幕显示技术与控制技术的不断融合和发展,在高端的大屏幕显示系统工程领域,通过多屏拼接而成的大屏幕图像显示得到了广泛的应用,它所带来的超大画 面、多屏显示以及...

清晰度、亮度、色彩饱和度是液晶的三个重要性能指标,唯瑞 DID液晶拼接墙显示屏采用先进的数字信号处理技术和硬件拼接技术,结合最新技术的DID液晶屏,具有高清晰度、高亮度...

随着国家对煤矿安全生产工作的日益重视,以及矿务局自身现代化管理的需求,矿井安全监测系统越来越体现出其重要性。

目前,行业里有一种“风气”,无缝边缘融合显示大行其道,无论任何场所,都在推行边缘融合技术大屏幕拼接系统,传统的细缝拼接技术大屏幕显示似乎走到了尽头,真的是这样吗?

北京蔚蓝创新科技有限公司(简称蔚蓝科技),是注册在北京中关村科技园区的高新技术企业。公司致力于网络系统集成、视频监控系统、投影工程和网络视频会议系统的开发,为工程...

随着信息时代的发展,人们的生活方式与环境发生着巨大的变化,高速发展带动了显示产品的需求,显示技术发展和应用领域迅速拓展,高端商务活动、会议展览、科学...

系统概述 本系统提供给用户一个大屏幕拼接显示,主要满足电脑信号和视频信号的高亮度、高清晰度的显示效果,实现多路电脑信号和视频信号的同时显示及图像叠加的效果,并...

在广州地铁的控制中心(OCC)集中完成对主控系统、监控网络体系的各类计算机、网络、视频信号的集中显示。实现对地铁运行的行车调度SIG系统、电力调度SCADA系统、环境监控设备...

追求亮丽的超大画面、纯真的色彩、高分辨率的显示效果,历来是人们对视觉感受的一种潜在要求。大到指挥监控中心、网管中心的建立,小到视频会议、学术报告、技术讲座和多功...
