手持式穿墙探测雷达因为反恐、灾后救援等方面的迫切需要而成为近年来的一个研究重点。常见的墙体多为混凝土结构,频率在1~10GHz范围内的电磁波在穿过混凝土墙壁时衰减很小,...

《国家信息化领导小组关于我国电子政务建设的指导意见》中明确了电子政务网络的体系架构:电子政务网络由政务内网和政务外网构成,两网之间物理隔离,政务外网与互联网之间逻...

随着全球经济走上复苏道路,许多企业和研究机构迫切需要部署新的应用程序、启动新的工作计划,因而加大了在服务器方面的投入。我们发现,25%的企业关于服务器方面的预算开支会...

面对频繁发生的自然灾害,社会公众要求各级领导部门要在第一时间会商和处理突发事件。视频会议系统作为处理应急事件的必备设备,要求具有多种接入方式,并做到稳定可靠,以便...

国家电网公司成立于2002年12月29日,是经国务院同意进行国家授权投资的机构和国家控股公司的试点单位。公司名列2009年《财富》全球企业500强第15位,比2008年上升了9位,是全...

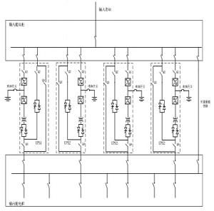
目前光纤通信、无线通信和电力载波等通信方式,无不受投资、维护、地理环境、无线信道、组网可靠性等因素的制约,难以适用于点多面广的用户信息监测。GPRS-2004负荷管理及用...

一、项目背景及需求 根据中国民用航空总局令第155号《民用航空器飞行事故应急反应和家属援助规定》(CCAR—399)的规定要求,民用运输机场在本机场及其邻近区域内发生民用航空...

现阶段,我国正进入“突发公共事件的高发期”和“社会高风险期”,应对这“两高”是我国政府的当务之急。目前,应急平台系统正处于高速发展阶段,在近两年的重大突发...

在当前军队建设数字化、信息化转型的关键时期,对于系统的稳定运行和安全保障提出了更高要求,同样也对一切信息系统的基础——电源以及环境系统建设提出了更多要求和新的挑战...

1 前言 海底通信光缆的力学性能设计和设置之重要依据之一是缆内光纤的状态,即光纤的余长和应变,因而力学性能与光学性能是直接相关的。 用户通常比较关注的...

随着3G的兴起,数据增值业务对于运营商的重要性日益凸显。基于此,中兴通讯、华为等主流厂商推出了基于3G视频监控、指挥领域应用的产品和方案,预示其在未来仍会...
